Z80 Home

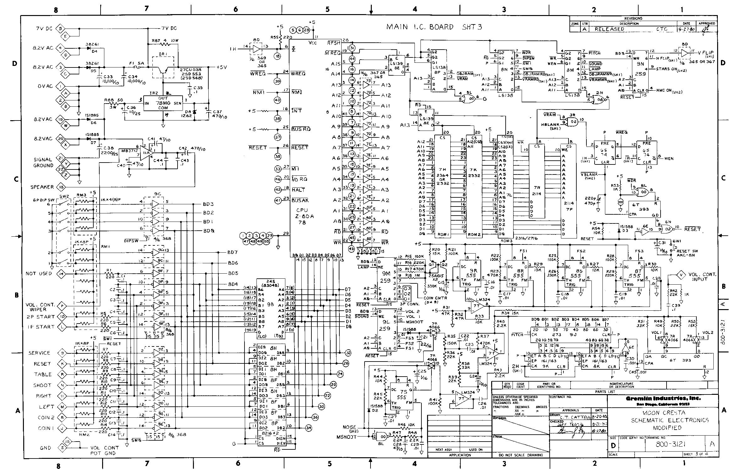
Z80 Arcade game "Moon Cresta" from Gremlin Industries


BOARD 1 Z80, chip select, sound

BOARD 2 Video RAM memory, DAC

BOARD 3 Video ROM

BOARD 5 Program ROM